Close Window

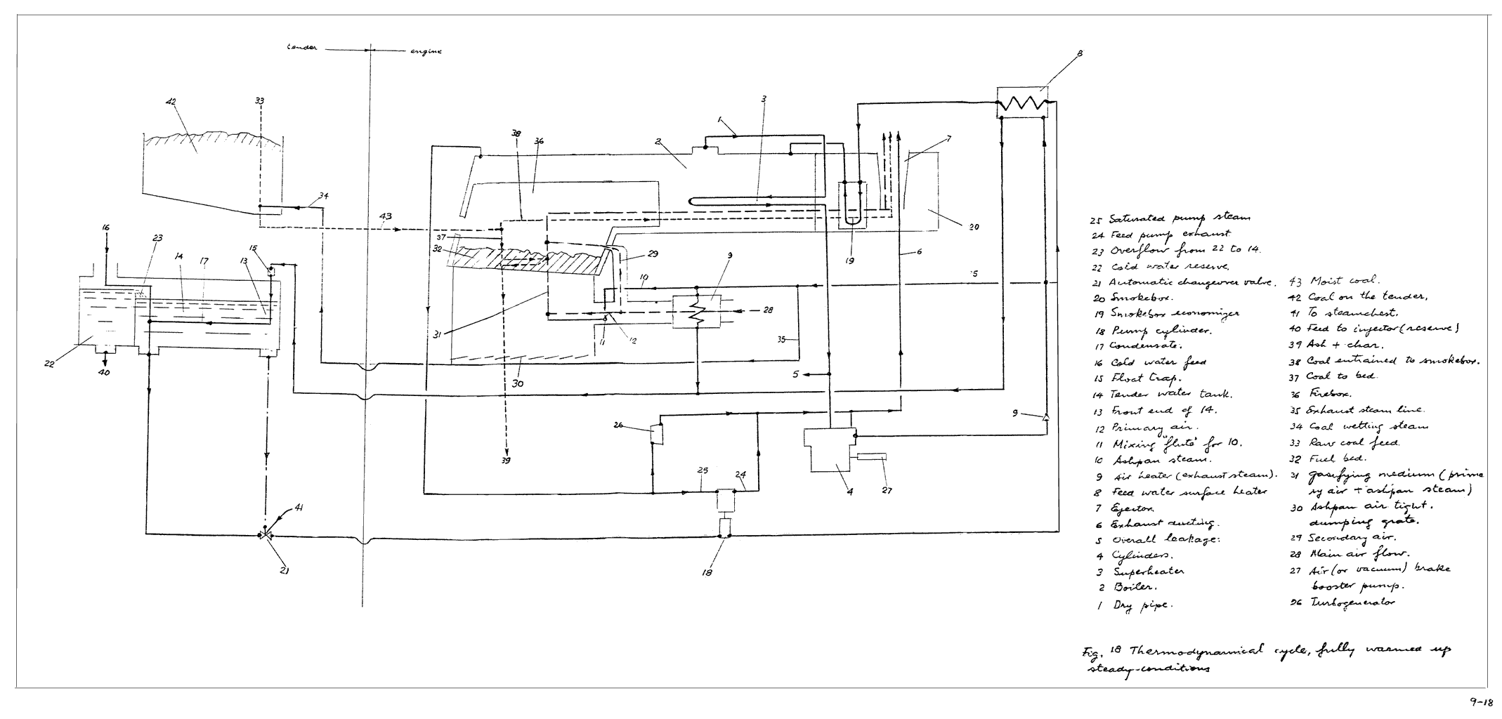
Fig.18: Thermodynamic cycle, fully warmed up, steady condtitions

Close Window